检测设备齐全、质量稳定可靠!
开发设计、制造销售高压成套电气设备
4001688737
24小时咨询热线:
网站首页
关于我们
公司简介
企业文化
产品展示
箱式变电站系...
高压开关设备...
电缆分支箱系...
低压开关柜设...
变压器系列
电线电缆
避雷器系列
真空断路器
合作案例
厂房厂貌
荣誉资质
新闻资讯
公司新闻
行业新闻
在线留言
联系我们
产品展示
— PRODUCT —
查看更多
箱式变电站系列
YB□-12-0.4(F·R...
YB27-12美式预装式箱式...
高压开关设备系列
KYN28-12铠装移开式封...
XGN15-12箱式固定交流...
XNG-12智能固体绝缘柜
电缆分支箱系列
DFW欧式电缆分接箱
低压开关柜设备系列
GGD低压成套开关柜
GCK低压抽出式开关柜
XL-21动力配力柜
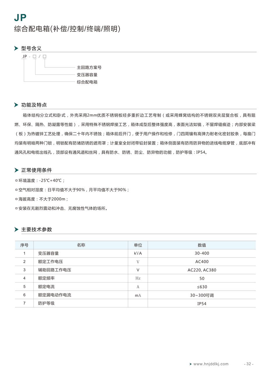
JP综合配电箱
PVX光伏配电箱
JDXF低压电缆分接箱
HKC配电箱
PZ30配电箱箱体
FKXM计量箱
FK-ATS双电源控制箱
FANCONTROLLER风...
变压器系列
电线电缆
避雷器系列
真空断路器
联系我们
CONTACT US
湖南经鼎电力科技有限公司
全国免费服务热线:4001688737
座机:0736-7888737
手机:罗总 15080602288
地址:常德市武陵区河伏镇岩桥社区常澧路1059号
JP综合配电箱
当前位置:
网站首页
>
产品展示
>
低压开关柜设...
>
JP综合配电...
JP综合配电箱
全国咨询热线:
4001688737
详情介绍:
向前:
没有了!
向后:
没有了!
咨询热线
4001688737
在线QQ
手机二维码